烤房专用炉子 火炉 热风炉


手动加煤型 自动加煤型

烘烤锅炉采用耐腐蚀性强的特定金属制作,由分体设计加工的换热器和炉体两部分组成.两部分对接的烟气管道与支撑架均采用螺栓紧固连接.换热器采用3—3—4自上而下三层10根换热管横列结构,其中下部7根翅片管,上部3根光管.炉体由椭圆形(或圆形)炉顶、圆柱形炉壁和圆形炉底焊接而成.在炉门口两侧的炉壁对称位置各设置一根二次进风管.采用正压或负压燃烧方式.炉底至火箱上沿总高度1856mm,其中炉体高度1165mm(不含炉顶翅片),底层翅片管翅片外缘距炉顶86mm.设备使用寿命10年以上.

供热设备各部位名称示意图

供热设备结构示意图
换热器
换热器包括换热管、火箱和金属烟囱,配置清灰耙.烟气通过换热管两端的火箱从下至上呈"S"形在层间流通,换热器结构与技术参数.

换热器主视图
换热管
采用厚度4mm不锈耐酸钢(厚度4mm指实际厚度不低于4mm,下同)卷制焊接而成.管径133mm,管长745mm,与火箱焊接后管长730mm,上部3根为光管,下部7根为翅片管.翅片采用Q195标准翅片带,**选用耐候钢或耐酸钢翅片带,翅片高度20mm,厚度,翅片间距15mm,带翅片部分管长645mm(图4),钢材符合GB/T700、GB699、GB/T221、GB/T15575和GB/T711规定.翅片带与光管采用高频电阻焊技术焊接,符合HG/T3181和JB/T6512标准.

翅片管结构参数示意图
火箱
火箱是换热管层间烟气的流通通道,左火箱上侧与烟囱连通,右火箱下侧与炉顶烟气管道连通.火箱由内壁、外壁、清灰门、烟气隔板构成,在左右火箱的下侧分别焊接一段换热器支撑架和烟气管道,均采用4mm厚耐酸钢制作.
(1)火箱内壁
采用冲压拉伸成型加工.左右两个大小相同,结构相似,均开有从上至下为3—3—4排列的3层共10个φ135mm圆形开口,纵向中心距200mm,横向中心距215mm.换热管端部与两侧火箱内壁通过嵌入式焊接连接.右内壁下部居中开设432mm×42mm烟气通道开口.内壁焊接M14×200mm螺栓,左内壁1根或2根(位置参照右内壁),右内壁2根,配置有与螺栓相配套的镀铬手轮,手轮外径φ100mm,符合JB/标准.

火箱内壁示意图
(2)火箱外壁
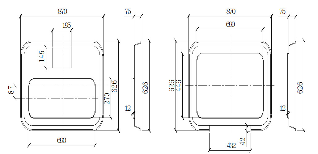
采用冲压拉伸成型加工.左右两个大小相同,在结构上有区别,尺寸略小于火箱内壁,方便焊接.左右外壁焊接在左右火箱内壁上.在左外壁上侧居中位置开设195mm×145mm的烟囱出口,下侧居中位置开设690mm×270mm左清灰口;在右外壁居中位置开设690mm×446mm的右清灰口,下部居中开设432mm×42mm烟气通道开口;左右清灰口四周冲压成环状封闭高12mm的外翻边,外翻边与清灰门上的凹陷槽闭合.

左火箱外壁 右火箱外壁
火箱外壁示意图
炉体
炉体包括炉顶、炉壁(含二次进风管)、炉栅、耐火砖内衬、炉门(含炉门框)和炉底.炉顶与炉壁、炉栅构成的空间为炉膛,炉栅和炉底之间的空间为灰坑.

炉体结构示意图





